Jabel J-209
Jedná se o stavebnici hodin se 60 LED a dvěma sedmisegmentovými dvojtými displeji řízené 8bitovým procesorem. Hodiny se napájí 9V baterií, či adaptérem.
Hodiny můžete zakoupit zde: sklep.jabel.com.pl
Vytvořil sem pro ně krabičku pro tisk na 3D tiskárně Thingiverse.
Při stavbě hodin jsem neosadil 5V stabilizátor 7805, místo něj hodiny napájím z 5V zdroje.
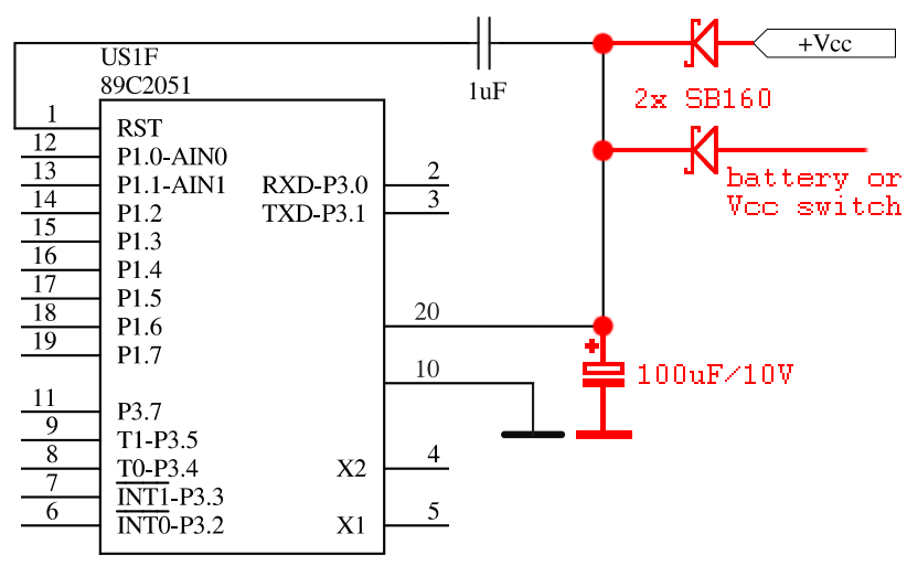
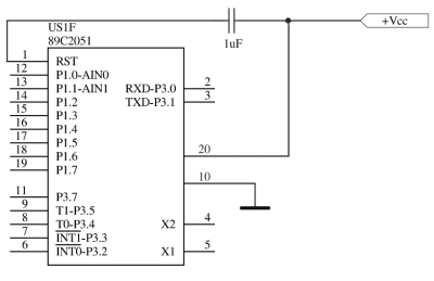
Dále jsem hodiny upravil tak, aby si po odpojení napájení pamatovali čas, toho je docíleno tím že se procesor po odpojení hlavního napájecího napětí napájí z baterie - tedy dál čítá čas - ostatní komponenty nejsou napájeny. Jedná se o drobnou úpravu kdy se přidají dvě schottkyho diody s nízkým prahovým napětím, například SB160.


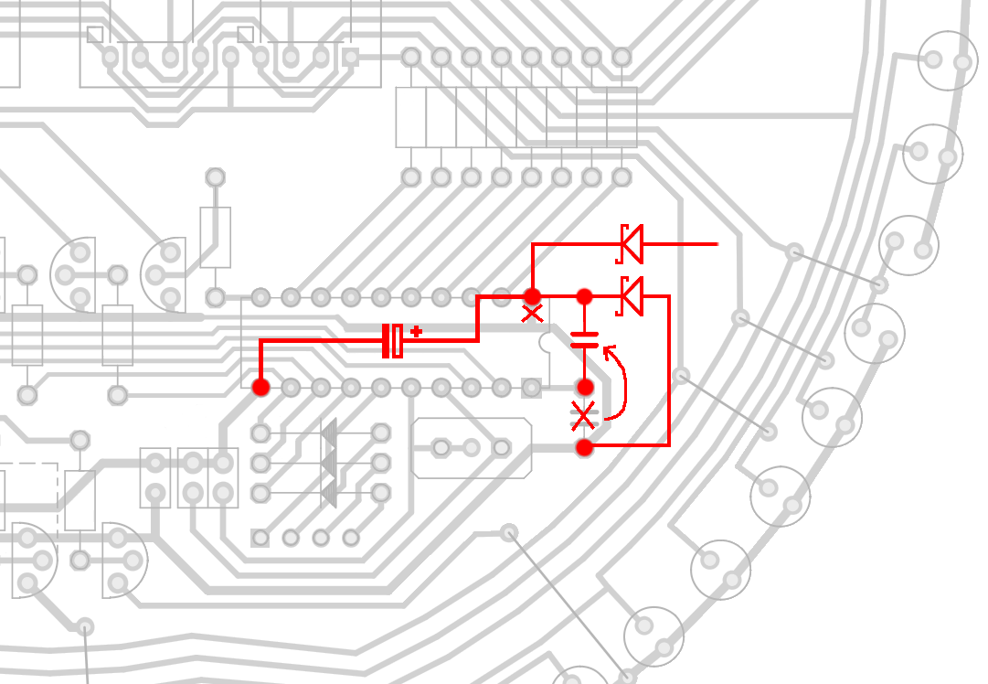
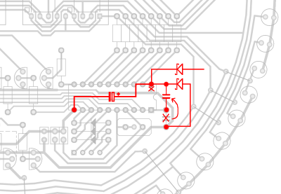
Mé provedení, všimněte si že jsem úpravu provedl nedestruktivně, pin 20 procesoru jsem odizoloval kaptonovou páskou, tak abych neponičil desku:
Hodiny tak napájím jak již bylo řečeno 5V zdrojem, konkrétně starou nabíječkou od telefonu, jako baterii používám dva klasické AA články zapojené v sérii tedy tedy 2×1,5=3V.
Autor nenese žádnou zodpovědnost za případné škody vzniklé touto úpravou - vše děláte na vlastní nebezpečí